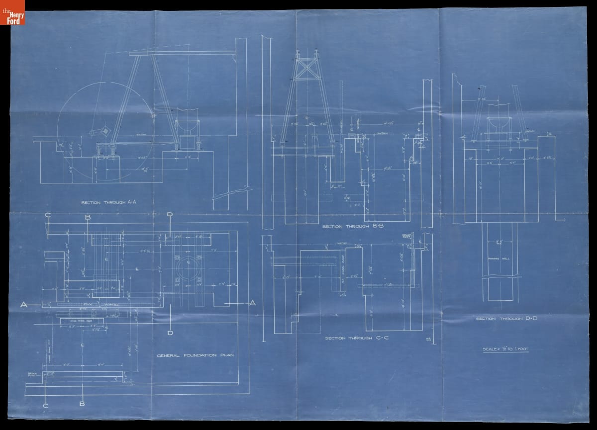
Blueprint Drawing of the 1821 Moira Engine, 1928

01

Artifact Overview

Artifact Details

Artifact

Blueprint (Reprographic copy)

Subject Date

1928

Location

Not on exhibit to the public.

Object ID

29.1498.4

Credit

From the Collections of The Henry Ford.

Material

Paper (Fiber product)

Technique

Blueprint process

Color

Blue

Dimensions

Height: 30 in
Width: 42 in

Blueprint Drawing of the 1821 Moira Engine, 1928