Book of USS Eagle 200 Foot Naval Patrol Boat Blueprints, 1918-1919
01
Artifact Overview
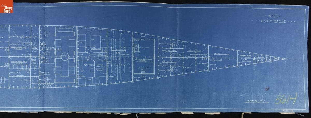
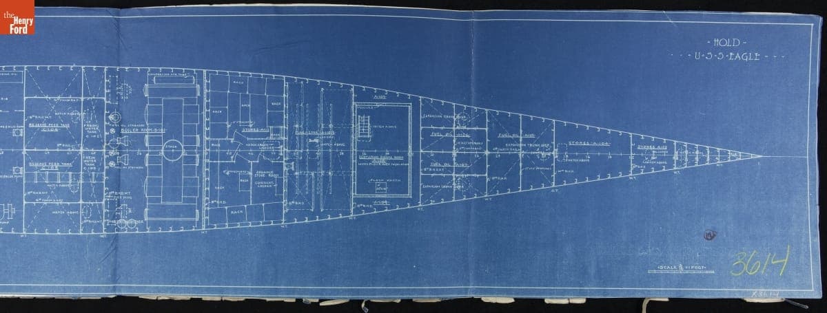
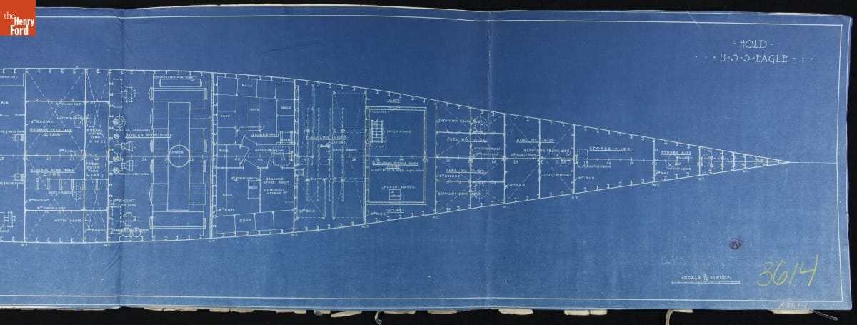
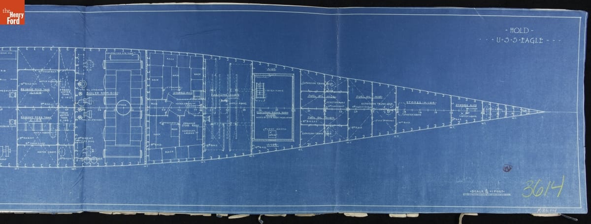
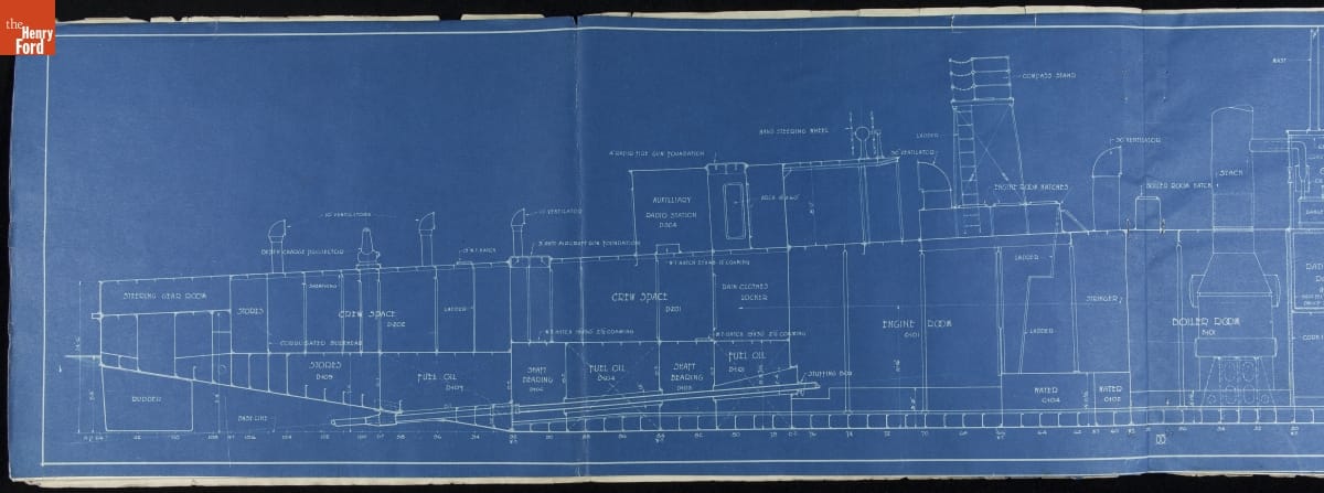
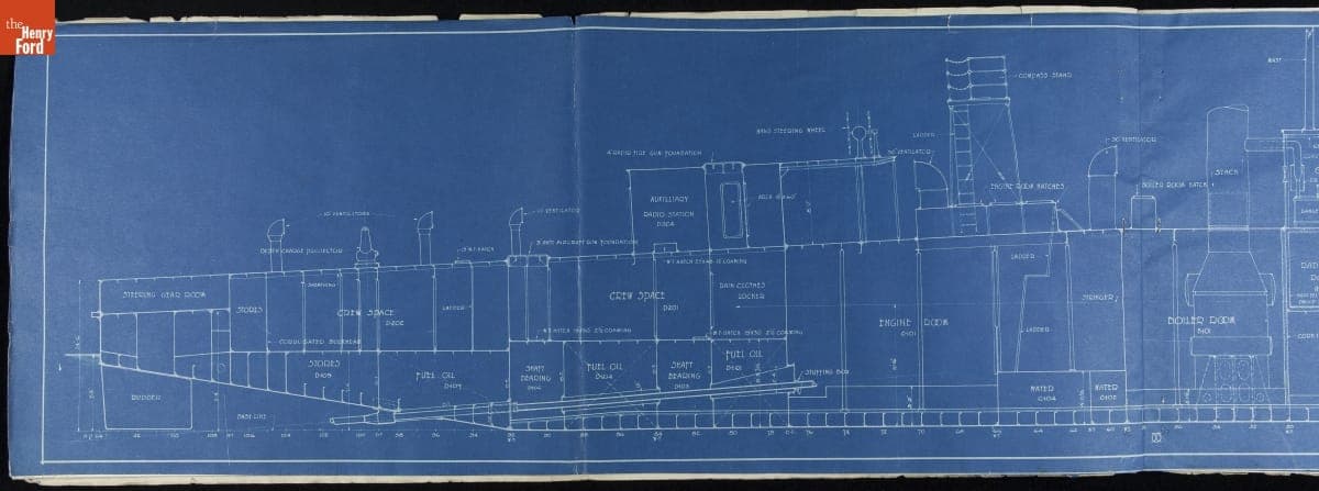
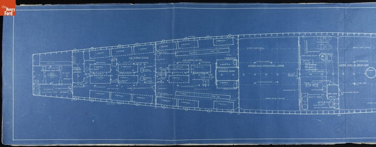
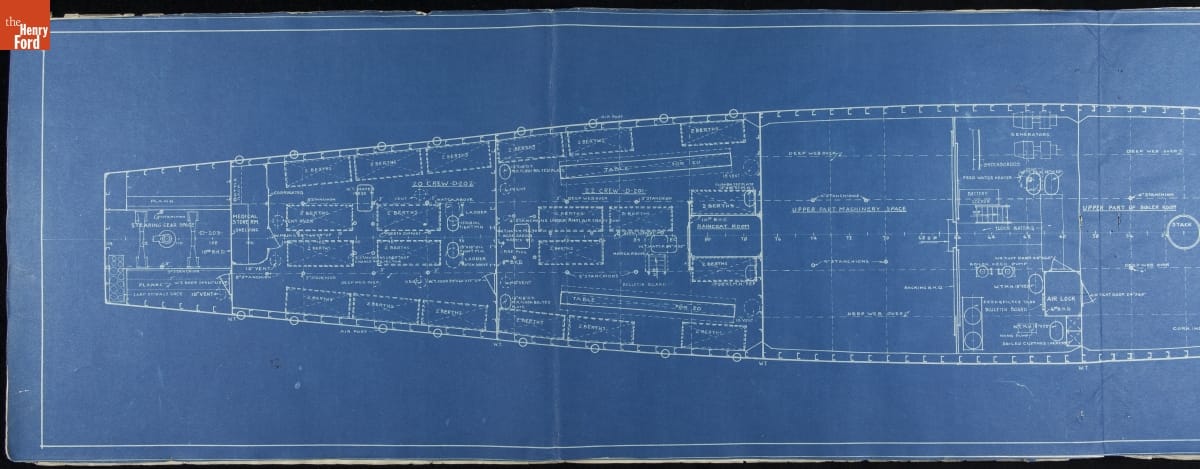
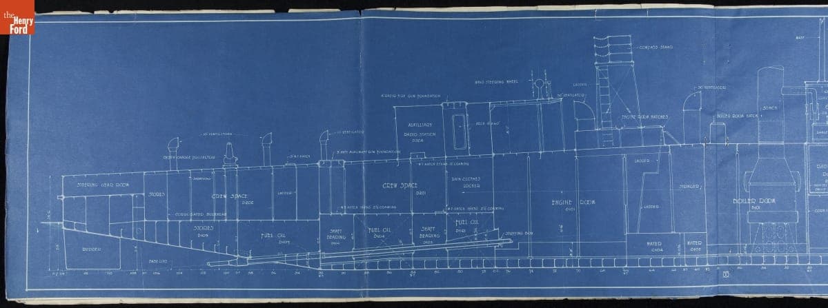
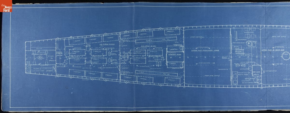
During World War I, Ford Motor Company built Eagle anti-submarine patrol boats for the U.S. Navy. Ford manufactured the boats using the mass production techniques it perfected for its automobiles. One of Ford's early challenges was the near-constant stream of design changes from the Navy. For all their strengths, Ford's production methods weren't well suited to frequent modifications.
Artifact Details
Artifact
Blueprint (Reprographic copy)
Subject Date
1918-1919
Collection Title
Location
Not on exhibit to the public.
Object ID
64.167.882.1
Credit
From the Collections of The Henry Ford. Gift of Ford Motor Company.
Material
Paper (Fiber product)
Technique
Blueprint process
Color
Blue
Dimensions
Height: 15.5 in
Width: 40.125 in
Inscriptions
Text at upper right corner:
OUTBOARD PROFILE / U.S.S. EAGLE
Keywords |
|---|
03
